



注:Note:
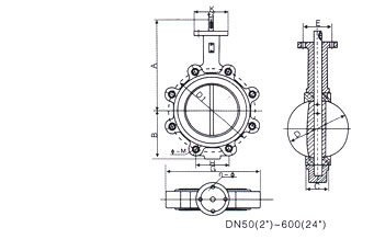
DN50(2")~600(24")“LT”型蝶阀分别适用于PNl.O/PNl.6MPa~种压力级,表中每格有两个尺寸的分别表示PNl.O/PNl.6MPa二种压力级连接尺寸,与阀门连接的管法兰
连接尺寸参照法兰连接尺寸表。蝶阀上法兰可通用于手动、蜗轮蜗杆传动、电动、气动等传动装置..
“LT”型蝶阀的结构、性能、零件的材质与“A”型均相同,区别在于“A”型可通过双头螺栓(或加长六角螺栓)对夹连接在两管法兰之间(却对夹式)。
“LT”型除通过两普通六角螺拴连接在两管路之间外,还可以安装在管端(即摹夹式)作为排空阀使用,但需在订货合同中注明管端使用。
南京对夹蝶阀 上海对夹蝶阀